淺談開關電源EMI優化設計-輻射篇
在上一篇文章中,我們詳細討論了開關電源中傳導電磁干擾(EMI)問題,并分享了使用差模和共模濾波器、改進PCB布局等優化方法。今天,我們將繼續深入探討另一種關鍵的EMI形式——輻射EMI。
你是否遇到過這樣的情況:設計了一款新的電子產品,但在某些頻段下,它會對周圍的設備產生干擾,甚至在EMC測試中未能通過?這很可能就是由于輻射EMI導致的。當開關電源中的電流變化產生未被控制的電場和磁場時,這些能量會以無線電波的形式向外輻射,影響周圍電子設備的正常工作。
一、輻射EMI的測試介紹

EMC三要素:干擾源、耦合途徑、敏感設備
干擾源:受測設備(EUT)以及輸入輸出線。
耦合途徑:多數為空間耦合,磁場或電場傳播。
敏感設備:天線,根據不同測試頻段更換測試所用天線,常規
天線包括:單極(桿)天線,雙錐天線,對數天線,喇叭天線。同時根據不同測試標準,天線與受測設備距離通常有1m、3m、10m等。
二、輻射EMI產生的原因
對于輻射發射測試(RE)的優化方式,與傳導EMI的優化方法基本相同。下面,我們來探討其緣由。
2.1 斷續電流回路影響
對于輻射發射需要兩個條件,激勵源以及天線。針對DCDC來說輻射的激勵源與傳導相同,都是快速的斷續電流變化回路(di/dt),以及電壓變化節點(dv/dt)。而電壓變化節點主要對30M以下輻射發射產生影響。

對于實際PCB走線(或鋪銅)總會帶來寄生電阻與寄生電感,此處我們統稱為寄生阻抗-Zx。寄生感抗值為jωL,所以當頻率很高時寄生感抗值將會很高,此時Zx兩端產生壓差,視為激勵源,輸入輸出線徑被視為天線發射輻射。
同時輸入回路組成環形天線,由交變電流產生磁場,由于電磁場區分點λ/2Π(λ為波長),此時輸入回路的磁場主要對輸入線徑進行空間耦合,輸入線徑作為天線發射輻射。

2.2 電壓變化節點影響

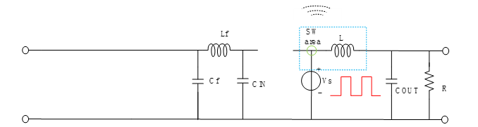
對于SW節點主要是快速電壓變化(dv/dt)。此時向外發射電場信號,主要通過電感以及SW鋪銅作為天線對外進行影響。由于容易被單極(桿)天線接收,此時主要影響30MHz以下的輻射發射測試。
三、輻射EMI的優化策略
3.1 斷續電流回路優化
以BUCK電路為例,輸入回路所發射的磁場與電流以及輸入回路的面積成正比,輸入電流很難變小,此時盡可能減小輸入回路的面積是有效的手段。輸入電容應盡可能與功率管和基準地(續流管接地處)足夠近,使輸入回路盡可能的小,此時走線上的寄生阻抗也會變小且進一步優化,這與傳導發射中的優化一致。
同時盡量使用4層以上的PCB設計。應盡量保證其中一層在斷續電流回路下是一整片的地,此時斷續電流回路的磁場在地上會出現相反的渦流相互抵消。同時整片的地通過打過孔可以方便最小回路的設計。
增加共模電感(或輸入正負極增加相同電感),此時會對走線寄生阻抗引起的激勵源起到抑制作用。

3.2 電壓變化節點優化
對于電壓變化節點輻射優化與傳導的優化基本相同,鋪銅面積盡量的小,盡可能選取屏蔽效果好的電感,選取小體積的電感等。因為功率以及飽和電流的限制無法電感體積無法控制時,對開關節點(鋪銅以及電感)進行屏蔽是最后的解決方案。
四、芯片選型對輻射影響
4.1選擇具有對稱設計的輸入腳的芯片
如圖所示輸入回路的磁感應線會處于相反的方向進行抵消,從而優化斷續電流回路。芯洲科技SCT2434A/CQ,SCT2464Q等產品是采用對稱設計的EMI優化器件。

4.2 抖頻
帶有抖頻功能的產品能夠將能量分布到不同頻率區域,顯著提升斷續電流回路和電壓變化節點的輻射性能。特別是當測試超出開關頻率倍頻的頻點時,抖頻功能的效果尤為明顯。芯洲科技的40V和60V系列產品均配備了抖頻功能,幫助客戶更好地應對EMI挑戰,提升系統穩定性。
4.3 模組產品在模組產品設計中,集成電感和輸入小電容對優化斷續電流回路和開關節點鋪銅面積至關重要。芯洲科技推出的SCT2230M和SCT2160M模組產品,不僅實現了開關節點鋪銅面積的最小化,還通過集成輸入小電容顯著優化了斷續電流回路。目前,這些模組產品已經量產,為客戶提供高效、可靠的電源解決方案。
通過上述分析和優化策略,工程師們可以更好地應對輻射EMI帶來的挑戰,確保產品的電磁兼容性。未來,隨著技術的進步,我們期待更多創新的設計方案出現,幫助解決日益復雜的電磁干擾問題。
你是否遇到過類似的輻射EMI問題?或者你有其他有效的輻射EMI抑制方法或案例分享?歡迎在評論區留言交流!