新品發布 | SCT55610系列三相無刷電機預驅動器,助力高效智能控制
在三相無刷電機控制領域,寬壓兼容性、驅動效率與安全保護始終是系統設計的核心挑戰 —— 從消費電子的低功耗待機需求,到工業設備的高頻響應場景,再到汽車應用的高可靠性需求, 傳統驅動方案常面臨 “性能瓶頸” 與 “升級成本” 的雙重桎梏。
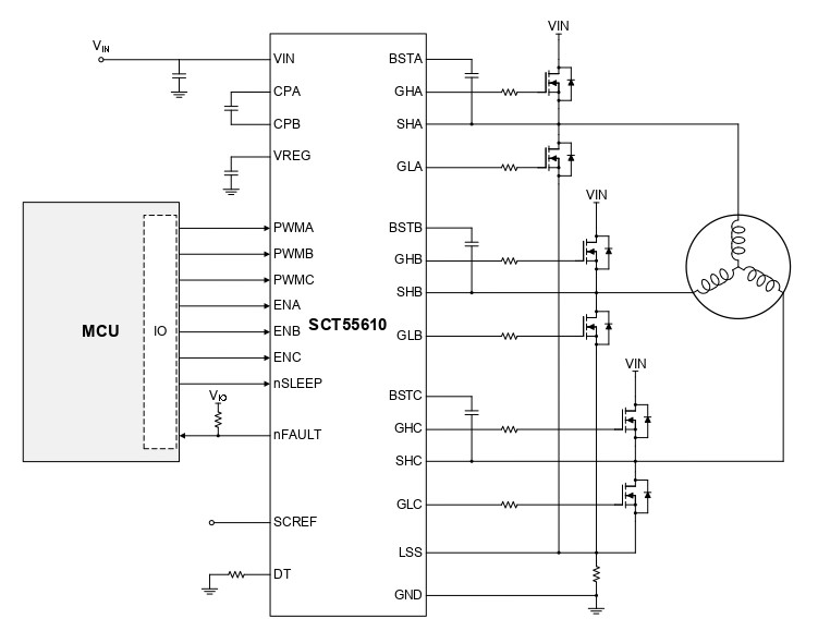
SCT55610/SCT55611 三相無刷電機預驅動器以高集成度設計打破常規,憑借與主流方案兼容的管腳排列,客戶可快速實現現有方案的升級替代,無需修改PCB設計,大幅縮短開發周期,這顆 “國產驅動芯” 正為智能控制注入新可能。
一、產品概述SCT55610/SCT55611是一款高集成度三相無刷直流電機柵極驅動器,可同時驅動3個高側及3個低側N溝道MOSFET,支持5-60V寬輸入電壓,支持100%占空比運行。可靈活適配消費電子、工業設備及智能家電等多種應用場景。
下表是SCT55610系列不同型號的主要區別:

全功能集成:內置電荷泵產生驅動電壓、內置高側柵極涓流充電電路,支持100%占空比運行、可調死區時間及6大保護機制;
全場景適配:兼容2.5V/3.3V/5V邏輯電平、兼容EN/PWM和H/L兩種輸入模式,靈活匹配不同的電機控制器;
國產化替代:PCB和BOM兼容設計,無縫替換現有方案;
2、經典應用
靈活驅動,性能升級
寬壓覆蓋:5V-60V輸入范圍,支持低壓啟動與高壓工業場景
更低功耗:支持1μA低功耗睡眠模式,顯著降低待機電流
智能調節:可編程死區時間(30ns~5μs),適配不同MOSFET


圖1a. 30ns死區時間(DT引腳接地)
圖1b. 0.74μs死區時間(RDT=200kΩ)
復雜負載,穩定應對
高頻響應:支持高達200kHz的PWM頻率,滿足無人機電調快速響應需求
強勁驅動:2A峰值灌電流(下拉)與1A峰值拉電流(上拉),輕松驅動高Qg的MOSFET

圖2. 實測柵極驅動波形
安全可靠,全面保護
6大保護機制:過流保護、短路保護、輸入欠壓保護、驅動欠壓保護、自舉電容欠壓保護以及過溫保護
故障反饋:nFAULT引腳開漏輸出,實時指示故障狀態
快速保護:支持可調電流限制與故障快速關斷,保障系統安全

圖3. 過流保護觸發波形(VLSS>0.5V觸發)
二、典型應用案例無人機電調系統
挑戰:高PWM頻率需求、輕量化設計、低壓啟動可靠性
方案價值:
兼容現有電調PCB布局,直接替換升級
5V低壓啟動保障電池續航
2A灌電流和1A拉電流加速MOSFET開關,提升系統效率
智能家電與工業設備掃地機器人:低功耗睡眠模式(典型值1μA),延長電池壽命
水泵/風扇:可調死區時間適配不同MOSFET和電機,降低運行噪音
電動工具/執行器:60V耐壓支持高扭矩電機,適配工業自動化場景
燃油及新能源汽車雨刮器:高效節能,穩定可靠,更長壽命
空調壓縮機:高耐壓,寬溫特性輕松應對嚴苛環境
中控旋轉屏:高可靠性,高集成度實現緊湊設計
END
SCT55610/SCT55611 作為高集成度三相無刷電機預驅動器,提供 5-60V 寬輸入電壓范圍、1μA 低功耗睡眠模式、高達 200kHz PWM 支持及全面的保護功能。該器件適用于無人機電調、智能家電及工業設備等場景,為高效、可靠的電機控制提供支持。如需樣品、技術資料或進一步支持,請聯系我們。